DTCM125-36
最高支持1/2.5‘’靶面相机
申请报价
产品参数
产品图纸
相关应用
产品参数
data
基本参数
支持CCD尺寸(Φmm)
7.2(1/2.5")
物方视场FOV(Φmm)
36
放大倍率β(x)
0.2
物方工作距WD(mm)
110±2
像方F/#
4.2
物方景深DOF(mm)
±11.0@F11
像方畸变(% max)
<0.1
物方远心度(° max)
<0.1
物像距I/O(mm)
251±2
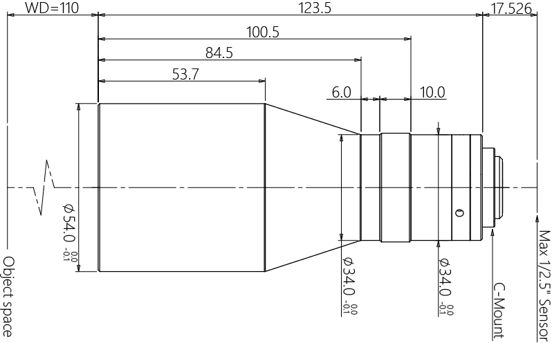
镜头总长(mm)
123.5
镜头接口
C
净重(KG)
0.4
像方MTF30(lp/mm)
>190
视野范围 (mmxmm)
1/3" AR130/RJ33(4.8x3.6)
24.0x18.0
1/2.5" 9P001/31 (5.7x4.28)
28.5x21.4
产品图纸
drawing

结构图




MTF曲线



相关应用
application