WWH10-63ATV3
高分辨率镜头
下载
download
申请报价
产品参数
产品图纸
相关应用
产品参数
data
基本参数
放大倍率 β(x)
1
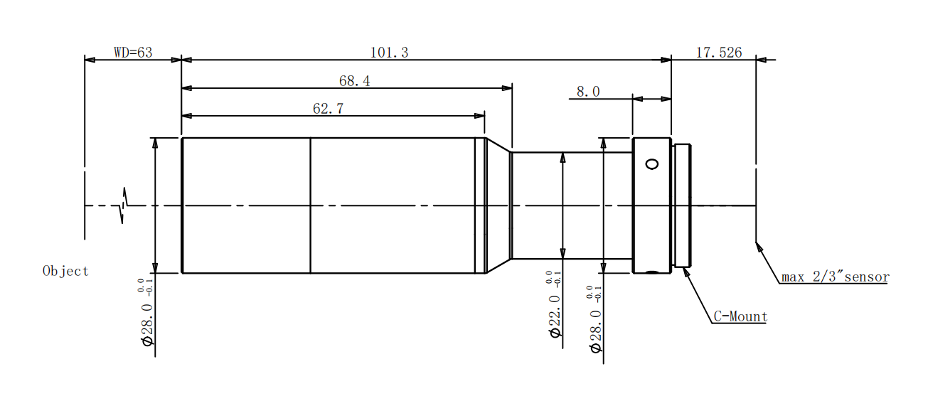
物方工作距 WD(mm)
63±1
支持 CCD 尺寸 (Φmm)
11(2/3")
像方 F/#
7
物方远心度 (° max)
0.1
像方畸变 (%)
0.07
数值孔径 NA
0.0625
物方分辨率 (um)
5.4
物方景深DoF (mm)
0.6
相机接口
C
镜头总长 (mm)
101.3
是否同轴光
是否可调光栏
视野范围(mm × mm)
1/2"(6.4x4.8)
6.4x4.8
1/1.8"(7.13x5.37)
7.13x5.37
2/3"(8.45×7.1)
8.45x7.1
产品图纸
drawing

结构图

相关应用
application