DTCM110-100H-AL
最高支持1‘’靶面相机
申请报价
产品参数
产品图纸
相关应用
产品参数
data
基本参数
支持CCD尺寸(Φmm)
16.6(1")
物方视场FOV(Φmm)
100
放大倍率β(x)
0.166
物方工作距WD(mm)
238±4
像方F/#
6.5
物方景深DOF(mm)
±23.2@F16
像方畸变(% max)
<0.1
物方远心度(° max)
<0.1
物像距I/O(mm)
534±4
镜头总长(mm)
278.2
镜头接口
C
净重(KG)
3.2
像方MTF30(lp/mm)
>140
视野范围 (mmxmm)
1" PYTHON5000 (12.43x9.83)
74.9x59.2
1" IMX255 (14.19x7.51)
85.5x45.2
1" IMX183 (13.13x8.76)
79.1x52.8
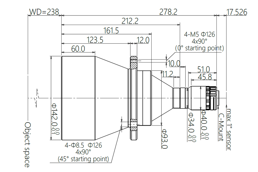
产品图纸
drawing

结构图


相关应用
application