DTCM175-100H-M58-AL
最高支持1.75‘’靶面相机
申请报价
产品参数
产品图纸
相关应用
产品参数
data
基本参数
支持CCD尺寸(Φmm)
29(1.75")
物方视场FOV(Φmm)
100
放大倍率β(x)
0.29
物方工作距WD(mm)
238±4
像方F/#
6.8
物方景深DOF(mm)
±7.6@F16
像方畸变(% max)
<0.1
物方远心度(° max)
<0.1
物像距I/O(mm)
581±4
镜头总长(mm)
331.0
镜头接口
M58
净重(KG)
3.6
像方MTF30(lp/mm)
>132
视野范围(mmxmm)
1.75" CMV12000(22.53x16.90)
77.7x58.3
1.75" PYTHON16k(18.43x18.43)
63.6x63.6
1.75" LineScan-4k(28.8mm)
99.3
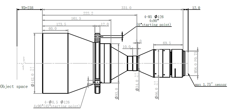
产品图纸
drawing

结构图


相关应用
application