DTCM71M-100H-M58-AL
最高支持71Mp靶面相机
申请报价
产品参数
产品图纸
相关应用
产品参数
data
基本参数
支持CCD尺寸(Φmm)
39
物方视场FOV(Φmm)
100
放大倍率β(x)
0.39
物方工作距WD(mm)
238±4
像方F/#
9.2
物方景深DOF(mm)
±4.2@F16
像方畸变(% max)
<0.1
物方远心度(° max)
<0.1
物像距I/O(mm)
612.9±4
镜头总长(mm)
362.9
镜头接口
M58
净重(KG)
3.7
像方MTF30(lp/mm)
>102
视野范围(mmxmm)
CHR 70M (31.0x21.7)
79.5x55.6
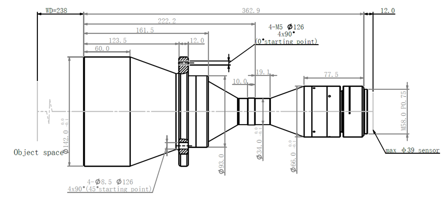
产品图纸
drawing

结构图


相关应用
application