DTCM35FH-100H-M58-AL
最高支持35mm Full靶面相机
申请报价
产品参数
产品图纸
相关应用
产品参数
data
基本参数
支持CCD尺寸(Φmm)
43.6(35mm Full)
物方视场FOV(Φmm)
100
放大倍率β(x)
0.436
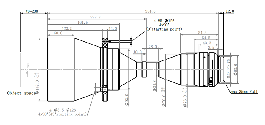
物方工作距WD(mm)
238±4
像方F/#
10.3
物方景深DOF(mm)
±4.2@F20
像方畸变(% max)
<0.1
物方远心度(° max)
<0.1
物像距I/O(mm)
634±4
镜头总长(mm)
384
镜头接口
M58
净重(KG)
3.8
像方MTF30(lp/mm)
>91
视野范围(mmxmm)
CMV50000 (36.43x27.62)
83.6x63.3
KAI29050/2 (36.17x24.11)
83.0x55.3
KAI43142 (36.18x24.12)
83.0x55.3
产品图纸
drawing

结构图


相关应用
application