DTCM16K-100H-AL
最高支持16K/59mm靶面相机
申请报价
产品参数
产品图纸
相关应用
产品参数
data
基本参数
支持CCD尺寸(Φmm)
59
放大倍率β(x)
0.59
物方工作距WD(mm)
238±4
像方F/#
13.9
物方景深DOF(mm)
±2.3@F20
像方畸变(% max)
<0.1
物方远心度(° max)
<0.1
物像距I/O(mm)
668±4
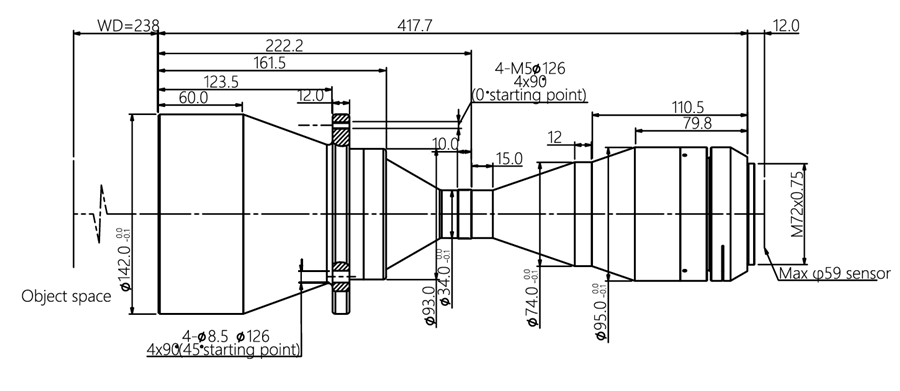
镜头总长(mm)
417.7
镜头接口
M72
净重(KG)
4.1
像方MTF30(lp/mm)
>67
数值孔径(NA)
0.02125
视野范围(mmxmm)
KAI-47051 (48.7x29.0)
82.5x49.2
Linescan-16K (57.4mm)
97.3
Linescan-8K (57.4mm)
97.3
产品图纸
drawing

结构图


相关应用
application